Zámek visací Richter RV.12002.20

Kód zboží: RV.12002.20
Zámek visací Richter
Poradíme Vám
Jsme Vám k dispozici
Po-Pá od 8:00 do 16:00

Zámek visací Richter RV.12002.20

  • Zámek visací Richter na číselný kód.
  • Hliníkový visací zámek s eloxovaným povrchem, který zvyšuje korozní odolnost, tvrdost a otěruvzdornost.
  • Číselný kód zámku lze kdykoliv změnit na vlastní (1.000 kombinací).
  • Dostupné barvy: černá, červená, fialová, modrá, stříbrná, zelená.
  • POŽADOVANOU BARVU NAPIŠTE DO POZNÁMKY K OBJEDNÁVCE.

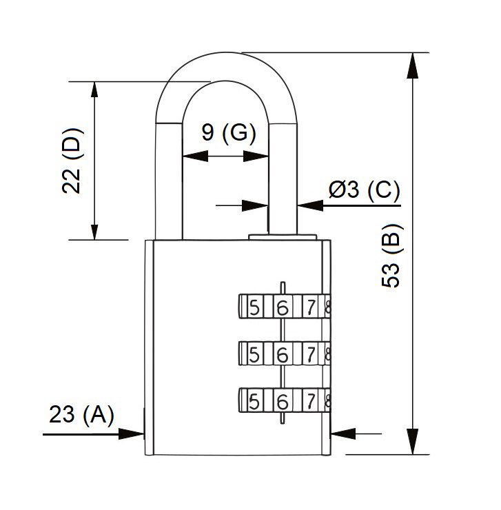
TECHNICKÉ PARAMETRY ZÁMKU

  • Šířka těla zámku: 23 mm.
  • Výška těla zámku: 53 mm.
  • Hloubka těla zámku: 3 mm.
  • Průměr oka: 22 mm.
  • Šířka oka - vnitřní rozměr: 9 mm.
  • Hmotnost: 0,03 kg.